KZB-300综合微机保护装置

产品简介:

KZB-300系列微机保护装置是我公司专门为35KV及以下电压等级架空线路、电缆线路、变压器、电动机、电容器、PT等一次设备提供完善的保护功能。产品大气美观,保护功能完善,安装简便,操作简单,投入市场以来深受广大用户好评。

主要技术参数

工作电源:AC/DC 85~265V
额定电压:100V(线电压)
额定电流:5A或1A(订 货时注明)
开关量电压:24VDC(装置内部提供)
分合闸触点负载:16A 250VAC(阻性)
信号出口触点负载:5A 250VAC(阻性)
通讯接口:RS485通讯,MODBUS协议。

应用范围

KZB-300综合微机保护装置:
a)进(馈)线保护                    e) 母联分段保护​
b) 变 压器保护                        f) 电动机保护 
c) 电 容器保护                        g) 单PT保护
d) 进 线备自投(自投、自复)  h) 母联备自投(自投不自复)
KZB-300B备自投微机保护装置: 
a) 母 联分段保护 
b) 自 适应备自投
c) 进 线备自投(自投、自复) 
d) 母 联备自投(自投、自复)
KZB-300PT PT并列保护装置: 
a)单PT保护                          b) PT并列保护

工作环境条件​

环境温度:- 10~+55℃
相对湿度:不大于95%,无凝露
大气压力:80~110kPa
其它条件:装置周围的空气中不应含有带酸、碱腐蚀或爆炸性的物质,且具有防雷、雨、雪设施
试验的标准大气条件:温度+15~+35℃,湿度45%~75%,气压86~106kPa

功能特点

●采用高性能32位数字信号处理器,提供强大的运算处理能力,保障装置能可靠动作。​
●结构紧凑轻巧,造型美观,定制的铝合金机箱与铝合金面板完美配合,使装置既有很强的机械性能又不失美观。
●采用全中文液晶显示屏,人机交互界面友好,多层菜单显示,操作整定极为方便,无需复杂培训即可完成调试工作。
●特有的元件级-工程级-用户级三级编程模式,元件类型现场可设定。开关量输入、继电器输出可编程。
● 高速、高精度交流信号测量,采样频率达 。在毫秒级完成多个交流信号 计算。取样数值有数字化校正,并能有效抑制噪声与偏移。
● 强大的矢量化计算方法,可得到多种派生交流信号特征,包括正、负、零序,相线变换,角度,阻抗,功率等。
●能够连续记录64次事件,具有故障时间、类型、峰值的保护动作全事件记录,掉电不丢失
●专用时钟芯片及配套电路,保证装置在掉电后也能正确走时,使装置能准确记录各种故障信息。
●增强的MODBUS通信接口,除正常数据之外,还可传输实时波形、矢量数据等。
●完善的自检功能,包括整定参数,记录,操作回路,电流、电压回路等异常监视。
●重要器件(如电源模块、互感器、继电器、液晶显示器、接线端子等)均采用国内外知名企业的成熟产品,保证装置平均无故障时间大于100, 000 小时。

功能配置表



外观及开孔尺寸



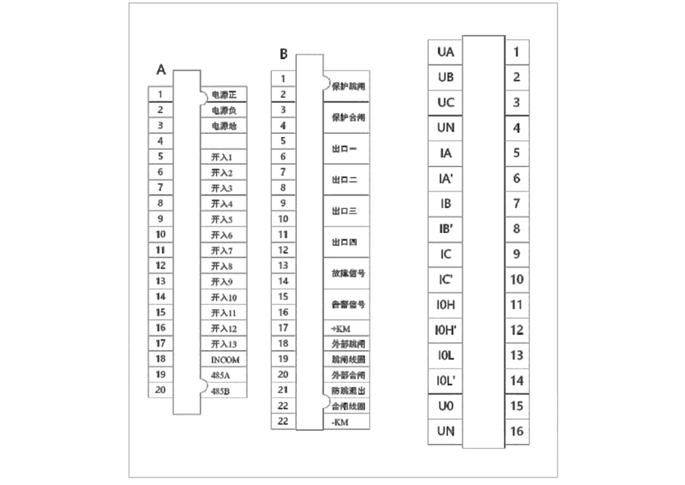
端子定义图


联系方式
350vip浦京集团(中国)股份有限公司
地址:浙江省乐清市经济开发区滨海南三路28号6幢​
市场部:0577-55774577
技术部:0577-55776455